3-Truss - 機械工具・安全保護具通販サイト -


メニュー

新規会員登録(種別選択)

当サイトでは、法人のお客様向けと個人のお客様向けに2種類の会員種別がございます。


法人会員

審査に5営業日ほどかかる場合がございます。
仮発注・承認機能も設けています。

法人会員登録をする

個人会員

審査不要、どなたでも会員登録して頂けます。

個人会員登録をする
0
TOTAL
¥0

現在カート内に商品はございません。

  1. トップページ
  2. /
  3. メカトロ部品
  4. /
  5. 機械部品
  6. /
  7. 防振材
  8. /
  9. エーエス フローティングゴムマウント AF-3

エーエス フローティングゴムマウント AF-3

  • 機械工具
  • NEW!

メーカー希望小売価格:オープン

¥65,856
¥72,442 (税込)
送料: 送料別途
商品コード: 678-9963
標準納期:30日
在庫数: お取り寄せ

※在庫数はリアルタイムではありません。(1日5回更新)

発注単位:1個
数量
カートに追加しました。
お買い物を続ける カートへ進む
在庫数以上の数量のため、入荷次第のご発送となります。
お買い物を続ける
メーカー名
エーエス
製造メーカー品番
AF-3
製造メーカー品番2

商品スペック

商品説明
● AFマウントは三方向(上下・長手・巾)に対して異なったバネ常数を有しており、長手水平方向の方が巾水平方向より軟らかく作られております。
●防振ゴムの中で最上位の防振性能です。
●シンプルなデザインで、ケーシングに防振ゴムが内蔵されているため油や外部損傷を受けにくく耐久性に優れています。
●一般機械・小型プレス用高性能防振ゴム。
● AFマウントは三方向(上下・長手・巾)に対して異なったバネ常数を有しており、長手水平方向の方が巾水平方向より軟らかく作られております。
● 水平振動が大きい方向に長辺を、揺れが大きい方向に短辺を向けた配置が効果的です。
●固有振動数が4~6Hzと低いために低周波から高周波に至る幅広い範囲に抜群の効果を発揮します。
●機械の取り付けボルトは1本で容易な取り付けです。
●(他オプションあり)
商品属性
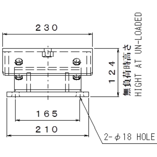
●許容荷重(kg):630
●幅(mm):230
●奥行(mm):200
●全高(mm):124
●上下ばね定数(N/mm):392
●短辺ばね定数(N/mm):657
●長辺ばね定数(N/mm):132
●ゴム
取り扱い注意事項
●フレームに充分な剛性のない機械は、補強しないと使用できない場合があります。
●重心が高く安定性のない機械では、脚を広げないと横揺れが大きく出ることがあります。
●油が浸漬するような状態での使用は避けてください。
セット内容
質量
14.000KG
原産国
日本


メニュー

カテゴリ一から探す