3-Truss - 機械工具・安全保護具通販サイト -


メニュー

新規会員登録(種別選択)

当サイトでは、法人のお客様向けと個人のお客様向けに2種類の会員種別がございます。


法人会員

審査に5営業日ほどかかる場合がございます。
仮発注・承認機能も設けています。

法人会員登録をする

個人会員

審査不要、どなたでも会員登録して頂けます。

個人会員登録をする
0
TOTAL
¥0

現在カート内に商品はございません。

  1. トップページ
  2. /
  3. 搬送機器
  4. /
  5. コンベヤ
  6. /
  7. バラ物用ベルトコンベヤ
  8. /
  9. 三和 両端軸受オイルシール方式 FUO-85 FUO-85

三和 両端軸受オイルシール方式 FUO-85 FUO-85

  • 機械工具
  • NEW!

メーカー希望小売価格:オープン

¥94,227
¥103,650 (税込)
送料: 送料別途
商品コード: 537-5520
標準納期:7日
在庫数: お取り寄せ

※在庫数はリアルタイムではありません。(1日5回更新)

発注単位:1個
数量
カートに追加しました。
お買い物を続ける カートへ進む
在庫数以上の数量のため、入荷次第のご発送となります。
お買い物を続ける
メーカー名
三和コンベア
製造メーカー品番
FUO-85
製造メーカー品番2

商品スペック

商品説明
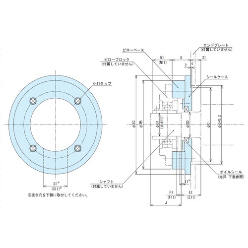
●主にスクリューコンベヤの駆動側・従動側に使用する軸受ユニットです。
●エンドプレート(ケーシング)に溶接するだけなので組立時間の短縮が可能です。
●シール部はオイルシールを使用しています。
●塵埃・化学原料など、人体や環境に悪影響を及ぼす物質の密閉輸送。
●二種類以上の物質を同時に投入することによる搬送中の混合。
●供給精度の安定性を利用した定量供給。(スクリューフィーダー)
●ケーシングを二重構造とし、熱媒体を流すことによる冷却・加熱。
●オイルシール方式
●シール部軸径(mm):85
●PB(mm):277
●SC(mm):277
●C(mm):247
●G(mm):55
●T1:M20
商品属性
●シール部軸径(mm):85
●PB(mm):277
●SC(mm):277
●C(mm):247
●G(mm):55
●T1:M20
●SS400相当品
取り扱い注意事項
セット内容
質量
19.000KG
原産国
日本


メニュー

カテゴリ一から探す